ABOUT US
Engineering the Future of Hydraulics
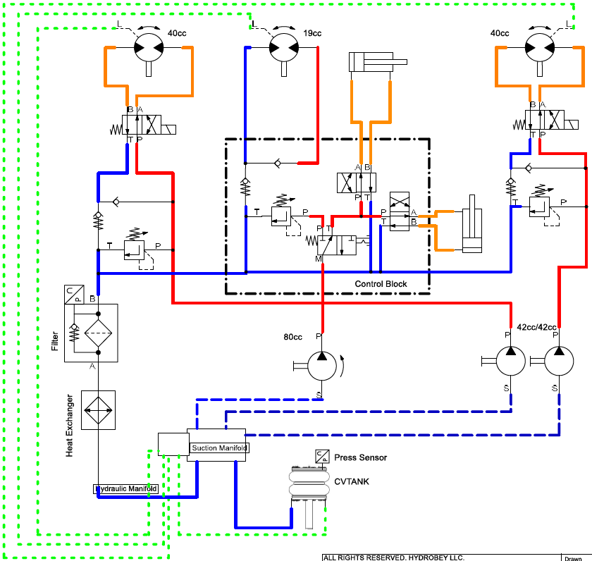
Hydrobey is a hydraulic engineering company focused on closed-volume hydraulic solutions, system design, and precision manufacturing.

Who We Are
Hydrobey designs advanced hydraulic systems and components for defense, mobility, and heavy-duty applications, where reliability, efficiency, and precision are non-negotiable.
With more than 20 years of experience in hydraulic system design, we partner with engineering teams to deliver solutions that perform under the most demanding conditions.

Complete Hydraulic Systems
Our work spans defense land vehicles, railway systems, and mobile machinery, supporting OEMs and system integrators from early design through production and long-term operation.
We don’t just supply components — we engineer systems that reduce complexity, improve performance, and increase operational reliability.
Our Mission
To deliver precision-engineered, combat-proven, and maintenance-friendly hydraulic systems that perform reliably in the toughest environments — without unnecessary complexity.
Our Promise
Every Hydrobey component is backed by a two-year warranty and decades of engineering experience — because your system reliability is our reputation.